습식 스프링클러설비
(Wet Pipe System, Sprinkler System)
가압송수장치는 자동기동방식(기동용 수압개폐장치)의 옥내소화전설비의 가압송수장치와 동일하며 작동원리는 말단의 폐쇄형헤드까지 전 배관에 압력수를 가압시켜 놓고 화재가 발생되면 폐쇄형헤드의 감열부분이 열에 의해 녹아 떨어지면서 헤드를 개방시켜 화재부위에 방수되고, 배관내 압력이 감소됨에 따라 유수검지장치(경보체크밸브, 자동경보밸브)가 작동되면서 경보를 발령하고 수신반에 화재표시등이 점등된다.



작동 순서
1. 화재 발생으로 인한 헤드 개방
방호구역 내 화재 발생 → 폐쇄형 해드 개방 → 배관 내 2차측 소화수 방수로 압력감소 → 1차측과 2차측 압력 불균형으로 알람밸브의 클래퍼 개방 → 헤드를 통해 소화수 방사



2. 경보 및 표시등 동작
클래퍼 개방시 일부 소화수는 리타딩챔버 및 압력스위치로 이동 → 알람밸브 압력스위치 작동 → 제어반 주경종 작동, 방호구역 음향장치 경보, 수신반 (감시제어반)의 화재표시등/알람밸브 개방 표시등 점등
완전 소화 후에는 유수검지장치의 1차측 주밸브를 폐쇄시켜 수류를 차단하고 수신반을 복구한 후 개방된 헤드를 다시 폐쇄형헤드로 교체시켜야 한다.

유수검지장치로는 자동경보밸브, 패들형 유수검지기, 유수작동밸브, 오리피스형 유수검지기 등이 있으나 알람밸브(Alarm Valve)라 불리우는 자동경보밸브가 가장 많이 사용된다.



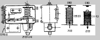
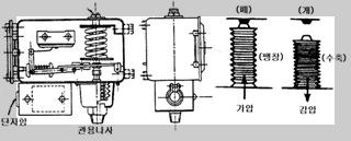
(가) 자동경보밸브(경보체크밸브 / 알람체크밸브_Alarm Check Valve)



(그림 2)의 유수검지장치는 하나의 방호구역마다 설치되는데 유수검지장치의 1차측에는 바로 가압송수장치가 연결되어 가압수를 계속 공급하고 있는 상태로 그림상의 압력계는 알람밸브를 중심으로 1차측(가압송수장치측)과 2차측(헤드측)에 각 1개씩 부착되어 항상 같은 압력치를 지시하고 있다가 헤드가 개방되면 2차측의 압력이 감소되면서 알람밸브가 개방되어 수신반에 화재표시등을 점등시킴과 동시에 경보를 발령하게 된다. 자동경보밸브(경보체크밸브)의 구조 및 동작은 (그림 3)과 같다. 평상시에는 작동전의 그림과 같이 클래퍼가 닫혀져 있으며 펌프측과 헤드측의 압력이 동일하게 유지된다.







① 리타딩 챔버 (Retarding Chamber)
알람밸브에 연결된 리타딩챔버는 알람밸브의 클래퍼가 조금만 열려도 압력수가 흘러 들어가게 되는데 이때 (그림 4)의 오리피스(Orifice)에서 소량의 물은 자동적으로 배수되며, 일시에 많은 물이 유입되어 용량전체가 포화되게 되면 상단부의 압력스위치나 워터 모터공으로 압력수가 전달된다. 리타딩챔버는 이러한 동작과정 중간에 설치되어 작동을 지연하게된다. 리타딩챔버의 용량은 약 1ℓ정도로 쓰이나 제품의 제작에 따라 다소 차이가 있다.
알람밸브의 2차측의 압력이 감소되어 1차측 압력에 의해 클래퍼가 열려서 (그림 3)의 작동후와 같은 상태가 되면 유입구의 배관을 따라서 리타딩 챔버로 압력수가 흘러들어가게 된다.
리타딩챔버의 기능은 누수로 인한 유수검지장치의 오동작을 방지하기 위한 안전장치로 지속적이 아닌 순간적 압력을 상부에 연결되어 있는 압력스위치에 전달되지 않게 함으로써 오보를 막아주고 과도한 압력은 오리피스를 통해서 외부로 배출시켜줌으로써 안전밸브의 역할도 하여 배관 및 압력스위치의 손상을 막고 보호해주는 순간동요압력 조정실 역할을 한다. 일반적으로 20초 정도는 압력스위치 작동을 지연시킬 수 있다.




그러나 최근에 시공되는 설비에서는 이러한 리타딩챔버를 생략하고 압력스위치를 바로 연결시키는 경우가 많은데 이와 같은 설비에서는 압력스위치 내부에 지연타이머를 부착하여 접점이 이루어지더라도 작동을 지연시켜서 오보를 방지하도록 하고 있다.
② 압력스위치 (Pressure Switch)
리타딩챔버 상단 또는 알람밸브와 직접 연결된 압력스위치는 가압수가 압력스위치에 도달하면 압력스위치의 벨로우즈를 가압하여 접점을 이루어서 회로를 연결시킴으로써 수신부에 화재표시 및 경보를 발령시키게 된다. 벨로우즈는 고무튜브나 알미늄튜브형식으로 되어있다.
압력스위치는 제어반의 펌프 및 수신반과 연결되어 펌프를 직접 가동시키는 방식과 단순히 작동에 의하여 경보와 수신반에 화재표시만 되게하고 펌프의 기동 자체는 배관내의 감압에 따라 기동용 수압개폐장치에 의한 작동으로 하는 방식의 2가지가 있으나 주로 기동용 수압개폐장치방식의 것이 통용되고 있다.






(나) 패들(Paddle)형 유수검지장치
배관내에 패들을 부착시켜 유수에 의하여 패들의 위치가 변동됨에 따라 접점을 이루면 회로가 연결되고 경보가 발령되어 유수를 신호한다.







(다) 유수작동밸브
이것은 체크밸브의 구조로서 유수시 밸브의 작동으로 유수 신호를 발하게 되는데 이 밸브에는 마이크로스위치가 설치되어 있어 밸브가 유수에 의하여 개방될때 마이크로스위치가 작동되면 이 신호가 수신반으로 전달되어 경보 및 화재를 표시하게 된다.
이와같은 유수검지장치 중에서 최근에 가장 많이 통용되는 것은 자동경보밸브(알람밸브)이다.





습식 스프링클러 설비의 장점
1. 신속한 대응
1차, 2차측에 소화수가 차있으므로 화재로 인해 헤드가 개방되면 바로 소화수가 방사되어 화재를 진합할 수 있다. 그러므로 폐쇄형 헤드의 감열이 빠르게 진행되면 화재에 대한 대응이 매우 신속하게 이루어진다.
2. 간단한 구조
클래퍼의 빠른 개방을 위해서 다른 스프링클러 설비 방식에서 필요한 장치들 (Quick Opening Device - 건식, 진공펌프설기 - 부압식, 유수검지장치 작동을 위한 감지기설비 - 준비작동식 및 일제살수식)이 필요 없다. 그렇기에 구조가 매우 간단하며 이로인해 경제적으로도 저렴하다.
3. 설치 및 유지관리 용이
부속설비가 많이 없다보니 설치 및 유지관리하기가 용이하고 고장의 우려가 적다.



습식 스프링클러 설비의 단점
1. 동결의 우려가 있는 장소 사용 제한
2차측에 가압수가 차있는 설비이기에 배관이 노출되어 동결의 우려가 있는 장소에는 사용하는데 제한이 있다. 만약 습식 스프링클러를 동결 우려가 있는 곳에 설치할 경우에는 동결방지 (Hot Insulation, Heat Tracing)를 추가로 설치하여야 하며 이로인해 비용이 증가된다.
2. 비정상적인 헤드 개방시 수손피해 발생
2차측에 가압수가 항상 차있기 때문에 폐쇄형 헤드가 개방되면 바로 소화수가 방수되는 시스템이다. 그러므로 화재가 아닌 다른 이유로 인해 헤드가 개방되는 경우에는 의도치 않은 수손 피해가 발생하게 된다.
3. 헤드 개방특성이 설비 성능 좌우
폐쇄형 헤드는 감열부에 Fire Flame로 인해 탈착/개방되어 소화수가 방수되는 방식이다. 결국 감열부의 탈착 여부(개방 여부)가 화재 진압의 성패를 좌우하게 된다. 그러므로 층고가 높거나, RTI 값이 높거나, 헤드의 표시온도가 맞지 않거나, Cold Soldering 현상이 발생하거나, 헤드가 젖어서 Skipping 현상이 발생하면 초기 화재 대응이 늦어지게 된다.





'소방 이야기 > 스프링클러 (Sprinkler System)' 카테고리의 다른 글
| 일제살수식 스프링클러설비 (Deluge Valve System, Sprinkler System) (2) | 2023.06.23 |
|---|---|
| 준비작동식 스프링클러 설비(Pre-Action System, Sprinkler System) (3) | 2023.06.19 |
| 건식 스프링클러설비(Dry Pipe System, Sprinkler System) (2) | 2023.06.19 |
| 스프링클러 설비의 개요 및 분류 (Fire Sprinkler System) (2) | 2023.06.01 |
| 스프링클러 작동 원리 설명 및 설치 시 주의 사항 (Sprinkler System) (4) | 2023.05.31 |









댓글